Q11F二片式内螺纹球阀操作应用案例产品特点
Q11F二片式球阀阀体铸造采用中国台湾引进的先进工艺,结构合理、造型美观。阀座采用弹性密封结构,密封可靠,启闭轻松。 阀杆采用有倒密封的下装式结构,阀腔异常升压时,阀杆不会被冲出。二片式、三片式球阀连接形式另有对焊(BW)承插焊(SW),并均可带国际标准ISO支架平台和锁定装置。可设置90°开关定位机构,根据需要加锁以防止误操作,驱动方式:手动、电动、气动。Q11F二片式球阀适用于PN1.0~6.4MPa,工作温度-29~180℃(密封圈为增强聚四氟乙烯)或-29~300℃(密封圈为对位聚苯)的各种管路上,用于截断或接通管路中的介质。选用不同的材质,可分别适用于水、国产精品51麻豆CM传媒、油品、硝酸、醋酸等多种介质。
内螺纹球阀是一种球体旋转来控制流体开关的装置,其主要结构由球体、阀杆、密封圈、阀体等部件组成。内螺纹球阀具有耐腐蚀、密封性好、操作方便、结构简单等特点,广泛应用于石油、化工、天然气、医药、冶金等行业领域。

二、Q11F二片式内螺纹球阀操作应用案例的材质和应用范围
内螺纹球阀的材质一般分为铸钢、不锈钢、铸铁等,根据不同的使用场合和介质特性,选用不同的材质来保证其工作性能。内螺纹球阀适用于流量控制及严格管道介质的控制,适用于高压、高温、低温和腐蚀性介质的控制等。
三、Q11F二片式内螺纹球阀操作应用案例的执行标准规范
1、国际标准:内螺纹球阀的国际标准包括ISO、DIN、ANSI、JIS等标准;
2、国内标准:内螺纹球阀的国内标准包括GB、JB、HG等标准。
ISO国际标准规定了内螺纹球阀的类别、结构、尺寸、工作压力、试验等方面的性能要求和试验方法,为国际上的产品质量统一提供了明确的指导。DIN、ANSI、JIS等国际标准则各自对内螺纹球阀的标准规范进行了说明和规定。
国内标准GB/T、JB/T、HG/T等标准都是根据国内工业和用户的实际需求制定的,保证国产内螺纹球阀的质量和性能与国际标准保持一致。其中,GB/T12237-2007《内螺纹全通球阀》是内螺纹球阀的国家标准,规定了内螺纹全通球阀的结构要求、参数及尺寸、试验方法、标志、包装、运输等方面的要求。

四、如何选择适合的Q11F二片式内螺纹球阀操作应用案例
1、根据介质特性选择适合的材质;
2、根据工作温度和压力选用符合要求的内螺纹球阀;
3、根据流体的介质和流量选择规格和通径;
4、考虑平稳启闭及阀门操作方式;
5、需要考虑阀门的密封和耐腐蚀性能;
6、一定要遵循执行标准规范,在使用前进行检测和试验。
【Q11F二片式内螺纹球阀操作应用案例结论】
内螺纹球阀是现代流体控制领域中一种应用广泛、性能优异的阀门。本文介绍了内螺纹球阀的定义、结构、材质、应用范围及执行标准规范。在选择内螺纹球阀时,需要根据介质特性、温度压力等因素进行分析和选择,在遵循相关标准和规范的前提下,确保阀门的质量和性能。

Q11F二片式内螺纹球阀操作应用案例
| 序号 | 品 名 | 型 号 及 规 格 | 单位 | 数量 |
| 2 | 球阀 | 内螺纹球阀Q11F-16P PN16 DN50 两片式 介质:水 温度:-20--150℃ 内螺纹连接 | 台 | 30 |
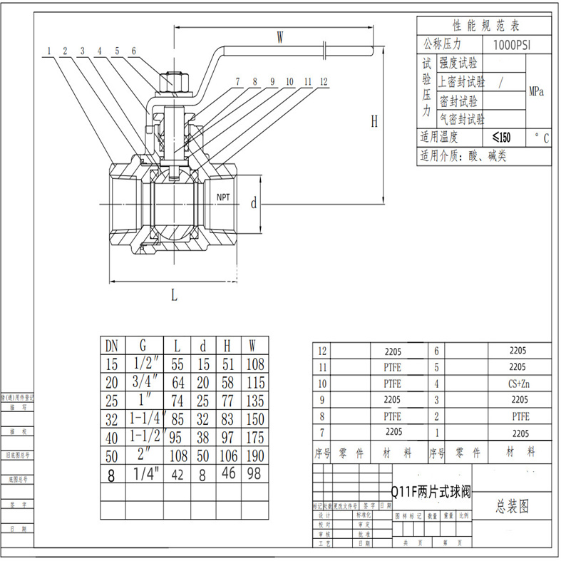
| 公称压力 | 适用介质 | 适用稳定范围 | 螺纹类型 |
| 1.6-6.4MPa | 水、油、气及某些腐蚀性液体(W。O。G) | -20~232℃~350℃ | G。NPT。BSPT。BSP。DI259/2999 |
| 公称通径 | DN(mm) | 6~100mm | ||
| 公称压力 | PN(MPa) | 2.5 | 4.0 | 6.4 |
| 试验压力 | 强度试验压力 | 3.8 | 6.0 | 9.6 |
| 高密封试验压力 | 3.0 | 4.8 | 7.6 | |
| 低压气密封试验压力 | 0.6 | 0.6 | 0.6 | |
| 适用介质 | 水、国产精品51麻豆CM传媒、油品、酸类腐蚀性等。 | |||
| 适用温度 | < 150℃(PTFE) < 300℃(PLL) | |||
| NO | 零件名称 | PART NAME | 材料(MATERIAL) |
| 1 | 阀体 | Body | CF8M CF8 WCB |
| 2 | 阀盖 | Cap | CF8M CF8 WCB |
| 3 | 阀座 | Seat | RPTFE |
| 4 | 球 | Ball | SS304 SS316 |
| 5 | 密封垫 | Seal Gasket | PTFE |
| 6 | 阀杆密封 | Stem Seal | PTFE |
| 7 | 阀杆 | Stem | SS316 |
| 8 | 阀杆填料 | Stem Packing | PTFE |
| 9 | 填料压盖 | Packing gland | SS304 |
| 10 | 弹性垫圈 | Spring washer | SS301 |
| 11 | 手柄 | Handle | SS304 |
| 12 | 螺母 | Stem Nut | SS304 |

| 公称通径 | 结构长度(mm) | 外形尺寸(mm) | 参考重量 | |||
| 毫米 | 英寸 | L | d | H | W | (kg) |
| 6 | 1/4" | 55 | 10 | 42 | 95 | 0.2 |
| 10 | 3/8" | 55 | 10 | 42 | 95 | 0.2 |
| 15 | 1/2" | 64 | 15 | 51 | 108 | 0.35 |
| 20 | 3/4" | 75 | 20 | 58 | 115 | 0.5 |
| 25 | 1" | 85 | 25 | 77 | 135 | 0.75 |
| 32 | 1-1/4" | 102 | 32 | 83 | 150 | 1.3 |
| 40 | 1-1/2" | 108 | 38 | 97 | 175 | 2.0 |
| 50 | 2" | 124 | 50 | 106 | 190 | 3.3 |
| 65 | 2-1/2" | 163 | 65 | 122 | 220 | 6.1 |
| 80 | 3" | 185 | 80 | 133 | 250 | 9.9 |
球阀的球的安装是一个需要细心和耐心的过程,以下是一个基本的安装步骤,供您参考:
一、Q11F二片式内螺纹球阀操作应用案例准备工作
准备工具:确保您拥有扳手、清洁工具、密封胶、标记笔等基本工具。同时,根据球阀的具体型号和连接方式,可能还需要特定的安装工具。
检查球阀和管道:核对球阀的标志,确保球阀完好无损。同时,检查管道,确保其与球阀的尺寸匹配,且管道内干净无杂质。

二、Q11F二片式内螺纹球阀操作应用案例安装球阀球
清洗和检查:
将球阀和管道清洗干净,去除表面的油污、焊渣和杂质。
检查球阀的阀孔,清除可能存在的污物,并清洗阀孔,以确保阀座与球之间无异物。
安装球座:
球座一般是由两个半球体构成,用螺纹配对固定。确保球座安装正确,且与管道同轴。
球阀的止推轴用于固定球座,确保止推轴安装牢固。放置球阀球:
将球阀球放在球座上,注意球阀球的方向。球阀球的方向决定了其密封性能和使用寿命,因此需要根据实际情况选择合适的方向。
确保球阀球与球座紧密贴合,无松动或间隙。
固定球阀球:
使用止推轴与球座固定球阀球,同时确保球阀球的两端螺丝均匀拧紧,以防球在运行中松动。
注意不要过度拧紧螺丝,以免损坏密封面或球体。

三、Q11F二片式内螺纹球阀操作应用案例后续步骤
连接管道:
根据球阀的连接方式(如螺纹连接、法兰连接等),将球阀与管道连接起来。
确保连接处紧密无泄漏,并按要求装上密封垫。
测试运行:
开启水源或相关流体,缓慢打开球阀,检查是否有泄漏现象。
确认阀门工作正常后,方可正式投入使用
四、Q11F二片式内螺纹球阀操作应用案例注意事项

保持清洁:在整个安装过程中,务必保持球阀和管道的清洁,避免杂质进入影响密封性能。
正确安装:确保球阀球的方向正确,且与球座紧密贴合。同时,注意安装顺序和步骤,避免遗漏或错误。
均匀拧紧:在固定球阀球时,要确保螺丝均匀拧紧,避免出现紧松不一的情况。
专业操作:如果您对球阀的安装不熟悉或没有相关经验,建议寻求专业人士的帮助以确保安装质量和安全。
以上信息仅供参考,具体安装步骤可能会因球阀的型号、规格和连接方式而有所不同。因此,在进行安装前,请务必参考球阀的使用说明书或咨询专业人士以获取准确的安装指导。