一、D671X气动中线全衬胶对夹式蝶阀技术规范明确工况要求,这是选型的基础 选购前,多元化清楚你的管道系统具体需要什么,不能只看型号和价格。麻豆AV在线观看来明确一下它到底是什么。D671X这个型号,其实是一个标准代号,它包含了这款阀门的基本特征。“D”代表蝶阀;“6”表示驱动方式是气动;“7”是指连接形式为对夹式,也就是阀门本身没有法兰,需要被夹在一对管道法兰之间安装;“1X”则通常指密封面材料为橡胶。所以,合起来理解,D671X气动对夹式蝶阀就是一种采用气动执行器驱动、对夹连接、橡胶密封的蝶阀。它的核心功能是安装在管道上,通过气动控制来实现快速的启闭或流量调节,从而切断或接通管路中的介质。 
在考虑选用这种阀门时,麻豆AV在线观看需要从几个方面来综合判断,以确保其适用性和可靠性。 1.介质特性:首先要弄清楚管道里走的是什么。是常温清水、空气,还是带有腐蚀性的酸碱液体、高温国产精品51麻豆CM传媒,或者是含有颗粒的浆液?介质的腐蚀性、温度、浓度以及是否含有固体颗粒,直接决定了阀门阀体、阀板和密封材料的选择。例如,腐蚀性介质需要不锈钢甚至更高级别的材质;高温介质则需要耐高温的密封材料,如氟橡胶、三元乙丙橡胶等,普通橡胶可能很快老化失效。 2.压力与温度范围:这是两个关键参数。务必确认阀门的设计公称压力(如PN10、PN16)是否能覆盖你管道系统的出众工作压力,并留有一定安全余量。同样,阀门的适用温度范围多元化涵盖介质可能出现的出众和温度。压力和温度是影响密封性能和使用寿命的核心因素。 3.管道尺寸与连接标准:确认管道的公称通径(DN50、DN100等)和法兰标准(如GB、HG、ANSI等)。对夹式蝶阀需要与管道法兰配对安装,所以阀门的结构长度和法兰标准多元化与现场管道法兰匹配,否则无法安装。 4.控制要求:气动执行器有单作用(弹簧复位)和双作用之分。单作用在断气时可依靠弹簧自动复位到开或关的位置,适用于需要故障安全位的场合;双作用则开闭都需要气源驱动,扭矩通常更大。还需考虑是否需要配备电磁阀、限位开关、定位器等附件来实现自动控制或信号反馈。 
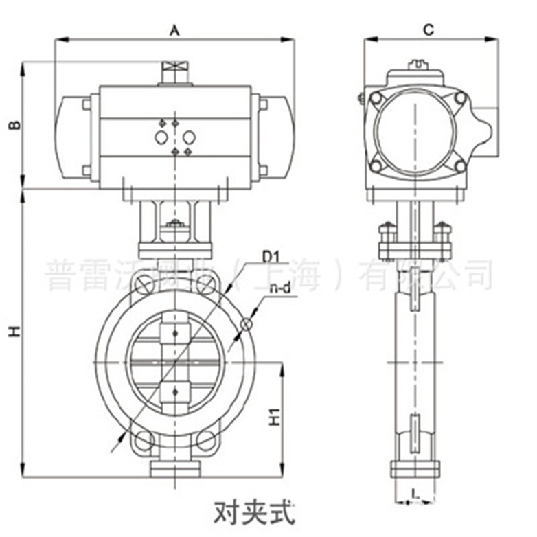
二、D671X气动中线全衬胶对夹式蝶阀技术规范关注核心结构与材质,这关乎内在质量 了解清楚需求后,麻豆AV在线观看来看看阀门本身哪些地方值得重点关注。气动衬胶蝶阀,是采用活塞式气动活塞式执行器与中线密封蝶阀组成,气动衬胶蝶阀不仅具有优良的防腐、(耐碱、盐性能,耐弱酸侵蚀)耐磨、减磨性能,(比普通蝶阀使用寿命可明显延长)而且具有无毒、抗菌、防霉等特点,更有操作力矩小,(比普通有销蝶阀降低百分之四十)维修方便,外形美观等突出优点。气动衬胶蝶阀主要用于水处理设备配套,广泛用于食品、医药、化工、石油、电力、轻纺、造纸等给水排水、麻豆黄色在线观看管道上作调作充量和截流介质的场合。 D671X气动中线全衬胶对夹式蝶阀技术规范气动衬胶蝶阀 产品特点 
(1)尼龙涂层与环氧树脂涂层相结合,符合环保要求。 (2)阀板设计,流量系数大,流阻小。在额定压力下,实现零泄漏。 (3)采用半轴无销连接,结构简单紧凑,维修拆卸极为方便,迅速(可现场拆装),蝶板有自动对中功能,实现了蝶板与阀座过盈配合。 (4)阀杆密封圈起双向密封作用,避免介质外流,防止外来物质侵入,做到整阀零外漏。 (5)气动衬胶蝶阀具有良好的切断和调节性能,能达到气泡级密封,启闭力矩小,使用寿命长等特点。 
D671X气动中线全衬胶对夹式蝶阀技术规范 1.阀体与阀板材质:这是阀门的骨架。常见材质有灰铸铁(适用于一般中性介质)、球墨铸铁(强度和韧性更好)、碳钢(适用于较高压力温度)、不锈钢(304、316等,用于腐蚀环境)。阀板通常与阀体材质一致或更高,确保强度和耐蚀性。材质选择不当是导致阀门腐蚀、泄漏甚至断裂的根本原因。 2.密封系统:这是阀门性能的心脏。D671X通常采用橡胶阀座密封。 *阀座材料:天然橡胶、丁腈橡胶、三元乙丙橡胶、氟橡胶等各有不同的耐温、耐油、耐酸碱特性,多元化根据介质选择。 *密封结构:好的设计应确保阀板在关闭时能与阀座均匀贴合,形成有效密封。检查阀座是否易于更换,这能大大延长阀门的使用寿命。 3.阀杆与连接:阀杆是传递扭矩的关键部件,应有足够的强度和硬度,且通常需要进行表面处理(如镀铬)以提高耐腐蚀和耐磨性。阀杆与阀板的连接应牢固可靠,防止松动脱落。阀杆的密封(填料函)设计也应良好,防止介质从阀杆处外漏。 4.气动执行器:这是阀门的动力源。其质量直接关系到阀门动作的可靠性。 *输出扭矩:执行器的输出扭矩多元化大于阀门操作所需扭矩,并留有适当余量,确保在任何工况下都能顺利开关。 *气缸质量:缸体、活塞的材质和加工精度,直接影响使用寿命和动作平稳性。 *防护等级:根据安装环境(室内、室外、潮湿、多尘)选择适当的防护等级(如IP65、IP67)。 
三、D671X气动中线全衬胶对夹式蝶阀技术规范气动衬胶蝶阀 主要技术参数 | 称通经DN(mm) | 50~1600 | | 公称压力PN(MPa) | 0.6 | 1.0 | 1.6 | | 密封试验(MPa) | 0.66 | 1.1 | 1.76 | | 强度试验(MPa) | 0.9 | 1.5 | 2.4 | | 适用温度 | 丁腈橡胶:-40℃~90℃ | | 适用介质 | 水、空气、天然气、油品及弱腐蚀性流体 | | 泄漏率 | 符合GB/T13927-92标准 | | 驱动方式 | 气动 | | 配置执行机构 | GT、AT、AW系列单双作用气动执行器 | | 控制方式 | 开关两位控制、4~20mA模拟量信号控制 | 四、气动衬胶蝶阀 执行器技术参数 | 执行器型号 | GT、AT、AW系列单双作用气动执行器 | | 供气压力 | 0.4~0.7MPa | | 气源接口 | G1/4"、G1/8"、G3/8"、G1/2" | | 环境温度 | -30~+70℃ | | 作用形式 | 单作用执行机构、双作用执行机构 | | 可配附件 | 定位器、电磁阀、空气过滤减压器、保位阀、行程开关、阀位传送器、手轮机构等 | 采用新型气动执行器,有双作用式和单作用式(弹簧复位),齿轮齿条传动,安全可靠;大口径阀门采用系列AW型气动执行器拔叉式传动,结构合理,输出力大,有双作用式和单作用式。 1、齿轮式双活塞,输出力矩大,体积小。 2、气缸选用铝金材料,重量轻、外形美观。 3、可在顶部、底部安装手动操作机构。 4、齿条式连接可调节开启角度、额定流量。 5、执行器可选带电讯号反馈指示及附件以实现自动化操作。 6、IS05211标准连接为产品的安装更换提供了方便。 7、两端调的节螺钉可使标准产品在0°和90°有±4°的可调范围。确保与阀门的同步精度。 
五、气动衬胶蝶阀 主要零件材料 | 零件名称 | 材料 | | 阀体 | 球墨铸钢+NBR、铸钢+NBR、不锈钢+NBR | | 蝶板 | 灰铸铁、球墨铸钢、铸钢、不锈钢及特殊材料 | | 阀杆 | 2Cr13、不锈钢 | | 填料 | O型圈、柔性石墨 | 六、D671X气动中线全衬胶对夹式蝶阀技术规范气动衬胶蝶阀 主要性能规范 | 公称通径DN(mm) | DN50~1200 | | 公称压力 | PN(MPa) | 0.6 | 1.0 | 1.6 | | 试验压力 | 强度试验 | 0.9 | 1.5 | 2.4 | | 密封试验 | 0.66 | 1.1 | 1.76 | | 低压气密试验 | 0.5~0.7 | | 适用介质 | 空气、水、污水、蒸气、煤气、油品等 | 七、D671X气动中线全衬胶对夹式蝶阀技术规范气动衬胶蝶阀 产品选型 (1)阀体参数:公称通径、工作压力、工艺介质、使用场合、阀体材料等系列参数。 (2)执行器参数:执行器形式、控制方式、控制信号(4-20mA,1-5V)、作用方式(气-开式,气-关式) 尽量详细提供气动衬胶蝶阀的技术参数,方便我公司经营及技术人员为您准确选型。如有任何疑问.您可以致电给麻豆AV在线观看,麻豆AV在线观看一定会尽心尽力为您提供优质的服务! 
三、D671X气动中线全衬胶对夹式蝶阀技术规范考察制造工艺与检验 好的设计和材料,还需要精良的工艺来实现。 1.铸造与加工:阀体、阀板的毛坯铸造应均匀致密,无砂眼、气孔等缺陷。关键部位的机加工精度,如法兰密封面、阀杆孔、阀板外圆等,直接影响装配精度和密封性能。 2.装配质量:阀门应装配整齐,动作灵活,无卡阻现象。气动执行器与阀体的连接应稳固,无松动。 3.出厂测试:可靠的制造商会对每台阀门进行必要的出厂试验,通常包括壳体强度试验(测试阀体承压能力)和密封性能试验(测试阀座和阀杆的密封性)。可以询问供应商是否提供相关的测试报告。 
四、D671X气动中线全衬胶对夹式蝶阀技术规范品牌、服务与常见认知误区 1.市场与品牌:市场上品牌众多,从国际国内众多生产商,选择范围很广。建议根据项目预算、质量要求和售后服务综合考量。不必盲目追求,但应对供应商的资质、生产能力和行业口碑有所了解。 2.安装与维护:再好的阀门,安装不当也会导致问题。对夹式蝶阀安装时,连接法兰的螺栓应对角均匀拧紧,防止阀体变形导致泄漏。管道内焊渣、杂物在安装前应清理干净,以免损伤密封面。定期检查气源、执行器动作情况和阀门有无外漏,是保证长期稳定运行的关键。 3.避免常见误区: *不要只比较价格,而忽略了材质、压力等级和密封材料的差异。 *不要认为气动阀门就一定能快速开关,开关速度还需通过气路调节(如节流阀)来控制。 *不是所有工况都适合用对夹式蝶阀。对于大口径、高压或法兰连接标准特殊的管道,可能需要考虑法兰式等其他连接方式。 总而言之,选购D671X气动对夹式蝶阀是一个需要细致考量的过程。它并非一个简单的标准件,其性能与寿命取决于设计、材料、制造和使用维护的全过程。希望以上这些关于选型要点和质量说明的梳理,能帮助你在面对这个产品时,有一个更清晰、更专业的判断思路,从而为你的管道系统选择一个合适且可靠的“控制开关”。 
D671X气动中线全衬胶对夹式蝶阀技术规范要正确安装夹式蝶阀,需按照以下步骤进行操作: 1、准备工作:检查蝶阀和连接管道的尺寸是否匹配,清除管道内的杂物和污垢。 2、将蝶阀放置在管道上,确保连接法兰、垫片和螺栓都齐全。 3、将蝶阀的两半夹住连接管道,确保连接法兰与管道法兰对齐,并且连接螺栓插入。 4、逐个拧紧连接螺栓,使用扳手或扳手扭紧螺栓,确保蝶阀与管道紧密连接。 5、检查蝶阀是否正常开关,打开或关闭阀门,确保阀门能够自由移动。 6、检查蝶阀的密封性能,打开阀门并用水或麻豆黄色在线观看进行测试,检查是否有泄漏。 7、如果有泄漏,重新检查蝶阀的安装,并确保连接螺栓已拧紧。 8、安装完成后,对连接螺栓进行定期检查,并根据需要进行维护和保养,以确保阀门的正常运行。 需要注意的是,操作前应确保熟悉蝶阀的使用说明和安装步骤,以避免操作不当导致意外发生。另外,在安装过程中应注意个人安全,如佩戴适当的防护装备。 |